Москва
Ваш город
Москва?
Нет
Да
Изменить город
×
МЫ ДОСТАВЛЯЕМ ПО ВСЕЙ РОССИИ!
Москва
Липецк
Тамбов
Каталоги
Каталоги
Быстрый заказ
0
Оформить заказ
0 руб.
Меню
Меню
Избранное
Каталог
Каталог
help

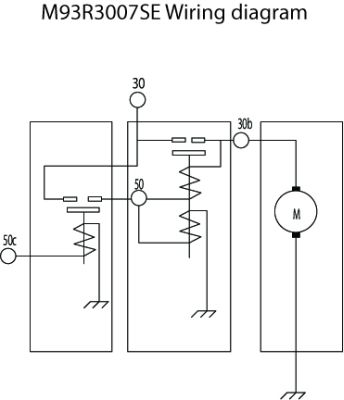
Стартер 24V 6KW z=10 дв.Deutz TD226 SDLG M93R3007SE Prestolite Electric

  • Описание
  • Отзывы
Артикул:
M93R3007SE
Бренд:
Prestolite Electric
Ø болта [мм]: 11.5
Ø фаски [мм]: 127
Ø фланца [мм]: 88.9
Ведущая шестерня - основная позиция [мм]: 21
Вес (кг): 10.1
Диаметр корпуса [мм]: 93
Количество: 1
Мощность стартера [кВт]: 6
Направление вращения: 0
Напряжение [В]: 24
Оформление: PE BL
Присоединение / зажим: 70
Спецификация: M93R
Техника присоединения: Grounded
угол замкнутого состояния [градус]: 330
Число зубцов: 10

Поиск товара. Пожалуйста подождите...

ИСКОМЫЙ ТОВАР
Фильтр
Артикул
Бренд
Срок
Наличие
Цена
АНАЛОГИ
Фильтр
Артикул
Срок
Наличие
Цена
ОТЗЫВЫ ПОКУПАТЕЛЕЙ